
Официальные задания и ответы к заключительному этапу Многопрофильной инженерной олимпиаде «Звезда» по Естественным наукам 10 класс, проходящая 01 февраля 2026 г.
Олимпиада «Звезда» по Естественным наукам
Скачать полные ответы и задания
10 класс 1 вариант
Задание 1. В соревнованиях по шашкам приняли участие 3 студента первого курса и несколько студентов второго курса. Три первокурсника набрали вместе 16 очков, а каждый второкурсник набрал одинаковое число очков. Сколько второкурсников участвовало в соревновании, если каждый из участников соревнования играет с каждым из остальных по одной партии. За выигрыш даётся 1 очко, за ничью – ½ очка, за проигрыш – 0 очков. Найдите все решения.
→ Узнать ответ
Задание 2. Назовём «тэшкой» фигуру из четырёх клеточек в виде буквы «Т» с укороченной ножкой. Какое наибольшее количество тэшек можно выложить в прямоугольнике 6×22 без наложений и выходов за границу? Приведите пример на Ваш ответ и докажите, что больше выложить нельзя.
→ Узнать ответ
Задание 3. Решите систему уравнений
{ x+y+z+t=16
{ xy+xz+xt+yz+yt+zt=96
→ Узнать ответ
Задание 4. В выпуклом четырёхугольнике ABCD даны длины сторон AD=4, BC=√2. Найдите длину отрезка, соединяющего середины сторон AB и CD, если ∠A = 62, ∠B = 73.
→ Узнать ответ
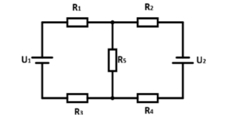
Задание 5. Из резистров номиналами R1=6 Ом, R2=12 Ом, R3=8 Ом, R4=2 Ом, R5=14 Ом и источников тока с напряжением U1=10,5 В и U2=21 В составили схему, изображённую на рисунке. Найдите токи, протекающие через источники.

10 класс 2 вариант
Задание 1. В соревнованиях по шашкам приняли участие 4 студента первого курса и несколько студентов второго курса. Четыре первокурсника набрали вместе 19 очков, а каждый второкурсник набрал одинаковое число очков. По сколько очков набрал каждый второкурсник, при условии, что каждый из участников соревнования играет с каждым из остальных по одной партии. За выигрыш даётся 1 очко, за ничью – ½ очка, за проигрыш – 0 очков. Найдите все решения.
→ Узнать ответ
Задание 2. Назовём «тэшкой» фигуру из четырёх клеточек в виде буквы «Т» с укороченной ножкой. Какое наибольшее количество тэшек можно выложить в прямоугольнике 6×18 без наложений и выходов за границу? Приведите пример на Ваш ответ и докажите, что больше выложить нельзя.
→ Узнать ответ
Задание 3. Решите систему уравнений
{ x+y+z+t=12
{ xy+xz+xt+yz+yt+zt=54
→ Узнать ответ
Задание 4. В выпуклом четырёхугольнике ABCD даны длины сторон AD=3, BC=√2. Найдите длину отрезка, соединяющего середины сторон AB и CD, если ∠A = 64, ∠B = 71.
→ Узнать ответ
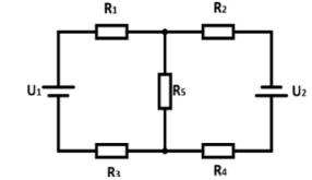
Задание 5. Из резистров номиналами R1=12 Ом, R2=24 Ом, R3=16 Ом, R4=4 Ом, R5=28 Ом и источников тока с напряжением U1=10,5 В и U2=21 В составили схему, изображённую на рисунке. Найдите токи, протекающие через источники.
