
Официальные задания и ответы к демоверсии МЦКО по Физике углубленный уровень для 8 класса на апрель-май , содержит 1 (один) тренировочный вариант заданий с ответами и решениями. Данный материал разработан для подготовки к диагностическому тестированию в общеобразовательных учреждениях Москвы.
→ Скачать официальные варианты по МЦКО 2025
Подготовка к диагностике МЦКО по Физике углубленный уровень 8 класс: демоверсия 2025 г.
Проверочная работа проводится с целью осуществления мониторинга уровня и качества подготовки обучающихся в порядке, принятом Департаментом образования и науки города Москвы. Назначение проверочной работы по учебному предмету «Физике» – оценить качество общеобразовательной подготовки обучающихся -х классов в соответствии с требованиями федерального государственного образовательного стандарта основного общего образования и федеральной образовательной программы основного общего образования. Период проведения – апрель–май 2025 года.
Время выполнения диагностической работы
Время выполнения каждой части проверочной работы – 70 минут без учёта времени на перерыв для разминки глаз. В работе предусмотрен один автоматический пятиминутный перерыв.
Содержание и структура проверочной работы
Каждый вариант проверочной работы состоит из 13 заданий. Проверочная работа содержит задания, направленные на проверку различных умений, формируемых при изучении курса Физике.
Официальная демонстрационная версия МЦКО для 10 класса: задания и ответы
Задание 1. В две кастрюли налили по 1 л воды, нагретой до одинаковой температуры, закрыли их крышками и поставили в холодное место. Кастрюли совершенно одинаковы, кроме цвета внешней поверхности: одна из них чёрная, другая белая.
Выберите верное утверждение о скорости остывания воды в этих кастрюлях.
Скорость остывания воды будет одинаковой в обеих кастрюлях, так как одинаковы массы, размеры и материал кастрюль, а также одинаковы массы воды в них.
В белой кастрюле вода будет остывать дольше, чем в чёрной, так как светлые поверхности медленнее нагреваются и дольше не остывают.
В белой кастрюле вода будет остывать быстрее, чем в чёрной, так как светлые поверхности охлаждаются быстрее тёмных за счёт излучения.
В чёрной кастрюле вода остывает дольше, чем в белой, так как тёмные поверхности медленнее отдают тепло при охлаждении.
Задание 2. При проведении научных исследований образец некоторого кристаллического вещества массой 2 кг нагревали. В процессе нагревания образец каждую секунду получал одно и то же количество теплоты. На представленном графике отражена зависимость температуры t этого образца от времени τ. Удельная теплоёмкость вещества в твёрдом состоянии равна 400 Дж/(кг∙℃). Потерями энергии пренебречь.

Выберите все верные утверждения, описывающие процессы, происходящие с данным веществом.
При переходе вещества из состояния, обозначенного на графике цифрой 2, в состояние, обозначенное на графике цифрой 3, внутренняя энергия вещества увеличивалась.
Мощность нагревательной установки равна 2 кВт.
Удельная теплота плавления вещества равна 360 Дж/кг.
Удельная теплоёмкость вещества в твёрдом состоянии больше его удельной теплоёмкости в жидком состоянии.
В состоянии, обозначенном на графике цифрой 3, вся масса вещества находилась в жидком состоянии.
Задание 3. Во сколько раз больше выделится теплоты при полном сгорании 200 кг древесного угля, чем при полном сгорании сухих дров массой 400 кг?
Задание 4. В теплоизолированном сосуде находится большая масса льда при температуре 0 ℃. В этот сосуд впустили стоградусный водяной пар массой 30 г. Определите, какая масса льда растает. Потерями энергии пренебречь. Ответ округлите до сотых.
Задание 5. На графике приведены экспериментальные данные зависимости температуры кипения воды от внешнего (абсолютного) давления.

Из предложенного перечня выберите все верные утверждения, соответствующие данным графика.
Температура кипения увеличивается с увеличением внешнего давления./
При нормальном атмосферном давлении температура кипения воды равна 100 °С.
Температура кипения прямо пропорциональна внешнему давлению.
При увеличении нормального атмосферного давления в 8 раз температура кипения увеличивается на 170 °С.
Температура кипения зависит от наличия примесей в воде.
Задание 6. Тепловая машина с КПД 40% получает за цикл от нагревателя 100 Дж. Какое количество теплоты машина отдаёт за цикл холодильнику?
Задание 7. Два незаряженных одинаковых электрометра соединены тонким стальным стержнем. Первого электрометра коснулись положительно заряженной палочкой (см. рисунок).

Используя рисунок, выберите из предложенного перечня все верные утверждения о процессах, происходящих при этом в электрометрах.
Оба электрометра приобрели положительный заряд.
Количество протонов на электрометрах увеличилось.
Первый электрометр приобрёл положительный заряд, а второй – отрицательный.
Часть электронов с электрометров перешла на палочку.
Суммарный заряд электрометров остался равен нулю.
Задание 8. Две маленькие закреплённые бусинки, расположенные в точках А и В, несут на себе заряды +q > 0 и –2q < 0 соответственно (см. рисунок). Точка С расположена на середине отрезка [АВ].

Из приведённого ниже списка выберите все верные утверждения.
На бусинку, находящуюся в точке А, со стороны бусинки, находящейся в точке В, действует сила Кулона, направленная горизонтально влево.
Напряжённость результирующего электростатического поля в точке С направлена горизонтально вправо.
Если бусинку, находящуюся в точке В, перенести в точку С, то модуль силы Кулона, действующей между заряженными бусинками, увеличится в 4 раза.
Если бусинки соединить медной проволокой, то заряд каждой бусинки станет равным (–q/2).
Если бусинки соединить незаряженной стеклянной палочкой, их заряды станут равными нулю.
Задание 9. Проводник, сделанный из проволоки длиной l, включён в электрическую цепь. На графике представлена зависимость силы тока I в этом проводнике от напряжения U на его концах.
Каким станет сопротивление этого проводника, если одну четверть проволоки отрезать?

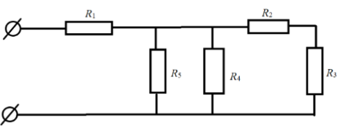
Задание 10. На рисунке показана схема участка электрической цепи из пяти резисторов.
Сопротивления резисторов имеют следующие значения: R1 = 10 Ом, R2 = 4 Ом, R3 = 4 Ом, R4 = 8 Ом, R5 = 6 Ом. Определите сопротивление этого участка цепи.

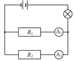
Задание 11. В электрической цепи, электрическая схема которой изображена на рисунке, амперметр А1 показывает силу тока 0,2 А. Сопротивление резистора R1 равно 6 Ом, а сопротивление резистора R2 равно 4 Ом. Определите напряжение на лампе, если её сопротивление равно 20 Ом.

Задание 12. Три резистора № 1, № 2, № 3 соединены так, как показано на рисунке, и подключены к источнику постоянного напряжения. В начальный момент ключ К разомкнут. Как изменятся сила тока через резистор № 2 и мощность, выделяющаяся на резисторе № 1, после замыкания ключа?
Для каждой величины определите соответствующий характер изменения. К каждой позиции из первого столбца подберите соответствующую позицию из выпадающего списка.
| ФИЗИЧЕСКАЯ ВЕЛИЧИНА | ИЗМЕНЕНИЕ ФИЗИЧЕСКОЙ ВЕЛИЧИНЫ |
|---|---|
| сила тока через резистор № 2 | увеличится уменьшится не изменится |
| мощность, выделяющаяся на резисторе № 1 | увеличится уменьшится не изменится |
Задание 13. Прочитайте условие задачи.
К концам однородного медного цилиндрического проводника на время τ = 1 мин подали напряжение, равное U = 2 В. Определите длину проводника l, если его температура за это время повысилась на Δt = 10 °С. Изменением сопротивления проводника и рассеянием тепла при его нагревании пренебречь. Ответ округлите до целых.
Вставьте в текст формулы, позволяющие решить эту задачу и получить правильный ответ. Переместите необходимые формулы в текст с помощью компьютерной мыши. Числовой ответ выберите из выпадающего списка.
При решении задачи используются следующие обозначения:
c – удельная теплоёмкость меди;
ρу – удельное сопротивление меди;
ρпл – плотность меди;
S – площадь поперечного сечения медного цилиндрического проводника.
При прохождении электрического тока по проводнику выделяется количество теплоты Q1, которое можно выразить по формуле . Количество теплоты Q2, требующееся для нагревания проводника, можно найти по формуле . Так как по условию задачи потерями тепла при нагревании проводника можно пренебречь, то приравниваем Q1 и Q2, из полученного уравнения выражаем длину проводника l. Общая формула для определения длины проводника l будет иметь следующий вид: . Подставляем в полученную формулу числовые значения физических величин и получаем ответ (округляем до целых): длина проводника приблизительно равна м.
