
Вариант ФИ2590201 разбор заданий и ответов к тренировочной работе №2 «СтатГрад» по Физике 9 класс в формате ОГЭ, проходящая 11 декабря 2025 г.
СтатГрад по Физике 9 класс
Вариант ФИ2590201
Инструкция по выполнению
На выполнение тренировочной работы по физике отводится 3 часа (180 минут). Тренировочная работа включает в себя 22 задания. Ответы к заданиям 1, 2, 4, 12–14, и 16 записываются в виде последовательности цифр. Ответом к заданиям 3, 5 и 15 является одна цифра, которая соответствует номеру правильного ответа. Ответы к заданиям 6–11 записываются в виде целого числа или конечной десятичной дроби с учётом указанных в ответе единиц. Ответ запишите в поле ответа в тексте работы. Единицы измерения в ответе указывать не надо. К заданиям 17–22 следует дать развёрнутый ответ. Задания выполняются на отдельном листе. Запишите сначала номер задания, а затем ответ на него. Ответы записывайте чётко и разборчиво. Задание 17 экспериментальное, и для его выполнения необходимо воспользоваться лабораторным оборудованием.
Часть 1
Задание 1. Установите соответствие между физическими понятиями и примерами этих понятий. К каждой позиции первого столбца подберите соответствующую позицию из второго столбца и запишите в таблицу выбранные цифры под соответствующими буквами.
ФИЗИЧЕСКОЕ ПОНЯТИЕ
А) физическая величина
Б) единица физической величины
В) физический прибор
ПРИМЕР
1) материальная точка
2) механическая мощность
3) вольтметр
4) инерция
5) ампер
→ Раскрыть ответ
Задание 2. Установите соответствие между физическими приборами (техническими устройствами) и физическими явлениями или закономерностями, лежащими в основе их работы. К каждой позиции первого столбца подберите соответствующую позицию из второго столбца и запишите в таблицу выбранные цифры под соответствующими буквами.
ФИЗИЧЕСКИЙ ПРИБОР/ТЕХНИЧЕСКОЕ УСТРОЙСТВО
А) сообщающиеся сосуды
Б) шариковые подшипники
ФИЗИЧЕСКОЕ ЯВЛЕНИЕ/ЗАКОНОМЕРНОСТЬ
1) зависимость гидростатического давления от высоты столба жидкости
2) действие атмосферного давления
3) использование силы трения покоя
4) замена силы трения скольжения силой трения качения
→ Раскрыть ответ
Задание 3. В домашних помещениях для лучшего обогрева комнаты батареи парового отопления располагают преимущественно у пола. Какой вид теплопередачи при этом используют, размещая таким образом батареи?
теплопроводность и излучение
теплопроводность воздуха
конвекцию
излучение
→ Раскрыть ответ
Задание 4. Прочитайте текст и вставьте на места пропусков слова (словосочетания) из приведённого списка.
На весах уравновесили большой полый стеклянный шар маленькой металлической гирькой. Потом поместили весы под колокол воздушного насоса и начали откачивать воздух (рисунок 1). Равновесие весов при этом нарушилось, шар (А) . Это объясняется тем, что при откачке воздуха на стеклянный шар (Б) . Так как на открытом воздухе для стеклянного шара выталкивающая сила (В) , чем для гирьки, после удаления воздуха шар становится (Г)

поднялся вверх
опустился вниз
перестаёт действовать выталкивающая сила
действует бóльшая выталкивающая сила, чем до откачки воздуха
меньше
больше
легче гирьки, и гирька перевешивает шар
тяжелее гирьки и перевешивает её
→ Раскрыть ответ
Задание 5. Камень, подброшенный вверх в точке 1, совершает падение в тормозящей его движение атмосфере. Траектория движения камня схематично изображена на рисунке. Внутренняя энергия камня
имеет минимальное значение в точке 4, так как в этой точке камень находится на минимальной высоте над уровнем земли.

одинакова во всех обозначенных точках, так как изменяется только механическая энергия камня.
имеет минимальное значение в точке 1, так как в этой точке движение только начинается. При дальнейшем движении внутренняя энергия камня увеличивается вследствие трения.
имеет минимальное значение в точке 2, так как в этой точке скорость камня равна нулю.
→ Раскрыть ответ
Задание 6. Пешеход, двигаясь равномерно по шоссе, прошел первую половину пути, равную 1200 м, за 20 мин, а затем вторую половину пути – за 30 мин. Какова средняя скорость движения пешехода на всём участке пути?
→ Раскрыть ответ
Задание 7. Однородный стержень массой 2 кг подвешен на двух одинаковых невесомых вертикальных пружинах (см. рисунок). Какова жёсткость каждой пружины, если удлинение каждой пружины равно 4 см?

Задание 8. На диаграмме для двух веществ приведены значения количества теплоты, необходимого для нагревания 1 кг вещества на 10°C и для плавления 100 г вещества, нагретого до температуры плавления. (Схематичный рисунок диаграммы с подписями «Вещество 1» и «Вещество 2» по осям «Нагревание» и «Плавление»). Найдите отношение удельной теплоты плавления второго вещества λ₂ к удельной теплоте плавления первого вещества λ₁.

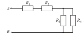
Задание 9. Участок электрической цепи, схема которой показана на рисунке, подключён к источнику постоянного напряжения U_AB = 12 В. Сопротивления резисторов R₁ = 3 Ом, R₂ = 2 Ом, R₃ = R₄ = 10 Ом. Найдите силу электрического тока, протекающего в резисторе R₁.
(Схема: Точки A и B. От A к цепи идет провод, далее резистор R₁, затем узел. От узла одна ветвь идет через резистор R₂ к точке B. Другая ветвь от узла идет через последовательно соединенные R₃ и R₄ к точке B).

Задание 10. На какую длину волны нужно настроить радиоприемник, чтобы слушать радиостанцию, которая вещает на частоте 120 МГц?
→ Раскрыть ответ
Задание 11. Радиоактивный изотоп 92 239 U испытывает β⁻-распад. Чему равно зарядовое число ядра, полученного в результате этого распада?
→ Раскрыть ответ
Задание 12. Пружинный маятник совершает незатухающие гармонические колебания между точками A и B. Точка O соответствует положению равновесия маятника. Как меняются скорость и потенциальная энергия маятника при переходе из точки O в точку A? (Рисунок: Горизонтальная линия с точками A, O, B, где O посередине).

Для каждой величины определите соответствующий характер изменения:
увеличивается
уменьшается
не изменяется
→ Раскрыть ответ
Задание 13. Реостат включён в сеть постоянного напряжения (см. рисунок). Ползунок реостата перемещают вправо. Как при этом меняются сопротивление электрической цепи и мощность электрического тока, потребляемая реостатом? (Схема: Источник напряжения, амперметр, реостат с подвижным контактом, перемещаемым вправо).

Для каждой величины определите соответствующий характер изменения:
увеличивается
уменьшается
не изменяется
→ Раскрыть ответ
Задание 14. В калориметр с водой, находящейся при температуре t₁, добавили лёд, имевший температуру t₂ < 0°C. На рисунке представлены графики зависимости температуры от времени для воды и льда в калориметре. Теплообмен с окружающей средой пренебрежимо мал. (Описание графика: Ось Y — температура, ось X — время. Два графика: для воды (нисходящий) и для льда (восходящий). Отмечены точки и участки: А, Б, В, Г. Участок АБ для воды, БВ — горизонтальный участок для обоих, после В — восходящий для обоих).

Используя текст и данные графика, выберите из предложенного перечня два верных утверждения. Укажите их номера.
Конечная температура смеси равна 0°C.
Участок БВ соответствует процессу плавления льда в калориметре.
К моменту установления теплового равновесия весь лёд в калориметре растаял.
Точка Б соответствует времени, когда в системе вода-лёд установилось состояние теплового равновесия.
Процесс, соответствующий участку АБ, идёт с поглощением энергии.
→ Раскрыть ответ
Задание 15. Экспериментатор провёл несколько опытов, наблюдая за испарением различных жидкостей в различных условиях. На основе какого наблюдения экспериментатор может сделать вывод, что скорость испарения жидкости зависит от рода жидкости?
Спирт, налитый в стакан, оставленный в тёплом помещении, испаряется быстрее, чем вода такой же массы, налитая в такой же стакан, поставленный в холодильник.
Спирт, налитый в блюдце, стоящее на столе, испаряется быстрее, чем вода такой же массы, налитая в стакан, стоящий в той же комнате.
Спирт, налитый в блюдце, стоящее на столе, испаряется быстрее, чем вода такой же массы и температуры, налитая в такое же блюдце, стоящее на том же столе.
Спирт, налитый в блюдце, поставленное на ветру, испаряется быстрее, чем вода такой же массы, налитая в такое же блюдце, поставленное в защищённом от ветра месте при одинаковой температуре.
→ Раскрыть ответ
Задание 16. Используя катушку, замкнутую на амперметр, и полосовой магнит, ученик изучал явление электромагнитной индукции. На рисунке представлены результаты опыта для случая внесения магнита в катушку (1), для случая покоящегося магнита (2) и для случая вынесения магнита из катушки (3). Скорость движения магнита в опытах (1) и (3) одинаковая. (Рисунки: (1) Манит вносится в катушку, стрелка амперметра отклонена вправо. (2) Магнит покоится в катушке, стрелка амперметра на нуле. (3) Магнит выносится из катушки, стрелка амперметра отклонена влево).

Из предложенного перечня выберите два утверждения, которые соответствуют результатам проведённых экспериментальных наблюдений. Укажите их номера.
Величина индукционного тока зависит от геометрических размеров катушки.
При изменении магнитного потока, пронизывающего катушку, в катушке возникает электрический (индукционный) ток.
Величина индукционного тока зависит от скорости изменения магнитного потока, пронизывающего катушку.
Направление индукционного тока зависит от направления магнитных линий, пронизывающих катушку.
Направление индукционного тока зависит от того, увеличивается или уменьшается магнитный поток, пронизывающий катушку.
→ Раскрыть ответ