
Вариант ФИ2590202 разбор заданий и ответов к тренировочной работе №2 «СтатГрад» по Физике 9 класс в формате ОГЭ, проходящая 11 декабря 2025 г.
СтатГрад по Физике 9 класс
Вариант ФИ2590202
Инструкция по выполнению
На выполнение тренировочной работы по физике отводится 3 часа (180 минут). Тренировочная работа включает в себя 22 задания. Ответы к заданиям 1, 2, 4, 12–14, и 16 записываются в виде последовательности цифр. Ответом к заданиям 3, 5 и 15 является одна цифра, которая соответствует номеру правильного ответа. Ответы к заданиям 6–11 записываются в виде целого числа или конечной десятичной дроби с учётом указанных в ответе единиц. Ответ запишите в поле ответа в тексте работы. Единицы измерения в ответе указывать не надо. К заданиям 17–22 следует дать развёрнутый ответ. Задания выполняются на отдельном листе. Запишите сначала номер задания, а затем ответ на него. Ответы записывайте чётко и разборчиво. Задание 17 экспериментальное, и для его выполнения необходимо воспользоваться лабораторным оборудованием.
Часть 1
Задание 1. Установите соответствие между физическими понятиями и примерами этих понятий. К каждой позиции первого столбца подберите соответствующую позицию из второго столбца и запишите в таблицу выбранные цифры под соответствующими буквами.
ФИЗИЧЕСКОЕ ПОНЯТИЕ ПРИМЕР
А) физическая величина
Б) единица физической величины
В) физический прибор
1) электроскоп
2) ватт
3) электризация
4) железные опилки
5) электрическое сопротивление
→ Раскрыть ответ
Задание 2. Установите соответствие между физическими приборами (техническими устройствами) и физическими явлениями или закономерностями, лежащими в основе их работы. К каждой позиции первого столбца подберите соответствующую позицию из второго столбца и запишите в таблицу выбранные цифры под соответствующими буквами.
ФИЗИЧЕСКИЙ ПРИБОР/ТЕХНИЧЕСКОЕ УСТРОЙСТВО
А) гидравлический пресс
Б) подвижный блок
ФИЗИЧЕСКОЕ ЯВЛЕНИЕ/ЗАКОНОМЕРНОСТЬ
1) передача давления внутри жидкости
2) действие атмосферного давления
3) условие равновесия рычага
4) превращение механической энергии при наличии силы трения
→ Раскрыть ответ
Задание 3. В домашних помещениях для лучшего охлаждения комнаты кондиционеры размещают преимущественно у потолка. Какой вид теплопередачи при этом используют, размещая таким образом кондиционеры?
теплопроводность воздуха
излучение
теплопроводность и излучение
конвекцию
→ Раскрыть ответ
Задание 4. Прочитайте текст и вставьте на места пропусков слова (словосочетания) из приведённого списка.
На весах уравновешена бутылка, в которой находится сжатый воздух. Через пробку бутылки пропущена стеклянная трубка с краном, на наружном конце которой привязана оболочка резинового шара (рисунок 1). Если открыть кран, то часть воздуха перейдёт в оболочку шара и раздует её. Равновесие весов при этом нарушится (рисунок 2), уравновешивающая гирька на правой чашке весов (А) .

Это объясняется тем, что после открывания крана на раздутый резиновый шар (Б) со стороны окружающего воздуха. Так как выталкивающая сила, действующая на шар и бутылку, (В) , чем для гирьки, после заполнения воздухом резинового шара чашка весов с бутылкой переместится (Г) .
Список слов и словосочетаний:
перевесит бутылку с шаром
станет легче бутылки с шаром
больше
меньше
начинает действовать меньшая выталкивающая сила
начинает действовать бóльшая выталкивающая сила
вниз
вверх
→ Раскрыть ответ
Задание 5. Камень, подброшенный вверх в точке 1, совершает падение в тормозящей его движение атмосфере. Траектория движения камня схематично изображена на рисунке. Внутренняя энергия камня

одинакова во всех обозначенных точках, так как изменяется только механическая энергия камня.
имеет максимальное значение в точке 4, так как оказавшись в этой точке, камень прошёл максимальное расстояние, и работа силы трения камня о воздух была максимальна.
имеет максимальное значение в точке 2, так как в этой точке высота камня над уровнем земли максимальна.
имеет одинаковые значения в точках 1 и 3, так как в этой точке высота камня над уровнем земли одинаковая.
→ Раскрыть ответ
Задание 6. Пешеход, двигаясь равномерно по шоссе, прошёл первую половину пути, равную 1500 м, за 30 мин, а затем вторую половину пути – за 20 мин. Какова средняя скорость движения пешехода на всём участке пути?
→ Раскрыть ответ
Задание 7. Однородный стержень (см. рисунок) подвешен на двух одинаковых вертикальных пружинах жёсткостью 800 Н/м каждая. Какова масса стержня, если удлинение каждой пружины равно 3 см?

Задание 8. На диаграмме для двух веществ приведены значения количества теплоты, необходимого для нагревания 1 кг вещества на 10°С и для плавления 100 г вещества, нагретого до температуры плавления. (Диаграмма аналогична заданию 8 варианта 1). Найдите отношение количеств теплоты Q₂/Q₁, необходимых для нагревания 1 кг соответственно второго и первого веществ на 10 °С.

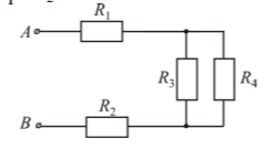
Задание 9. Участок электрической цепи, схема которой показана на рисунке, подключён к источнику постоянного напряжения U_AB = 6 В. Сопротивления резисторов R₁ = 5 Ом, R₂ = 4 Ом, R₃ = R₄ = 6 Ом. Найдите силу электрического тока, протекающего в резисторе R₂. (Схема аналогична заданию 9 варианта 1).

Задание 10. На какую частоту нужно настроить радиоприёмник, чтобы слушать радиостанцию, которая передаёт сигналы на длине волны 2,4 м?
→ Раскрыть ответ
Задание 11. Радиоактивный изотоп урана 92 239 U испытывает β⁻-распад. Сколько нейтронов содержит ядро, полученное в результате этого распада?
→ Раскрыть ответ
Задание 12. Пружинный маятник совершает незатухающие гармонические колебания между точками A и B. Точка O соответствует положению равновесия маятника. Как меняются кинетическая энергия маятника и сила упругости пружины при переходе из точки B в точку O? (Рисунок: A O B на линии).

Для каждой величины определите соответствующий характер изменения:
увеличивается
уменьшается
не изменяется
→ Раскрыть ответ
Задание 13. Реостат включён в сеть постоянного напряжения (см. рисунок). Ползунок реостата перемещают влево. Как при этом меняются сопротивление электрической цепи и сила электрического тока в реостате? (Схема аналогична заданию 13 варианта 1, но ползунок перемещают влево).

Для каждой величины определите соответствующий характер изменения:
увеличивается
уменьшается
не изменяется
не изменяется
→ Раскрыть ответ
Задание 14. В калориметр с водой, находящейся при температуре t₁, добавили лёд, имевший температуру t₂ < 0°C. На рисунке представлены графики зависимости температуры от времени для воды и льда в калориметре. Теплообмен с окружающей средой пренебрежимо мал.

Используя текст и этот рисунок, выберите из предложенного перечня два верных утверждения. Укажите их номера.
Начальная температура смеси равна 0°C.
Участок БВ соответствует процессу кристаллизации воды в калориметре.
Точка Б соответствует времени, когда в системе вода-лёд установилось состояние теплового равновесия.
К моменту установления теплового равновесия вся вода в калориметре превратилась в лёд.
Процесс, соответствующий участку ГБ, идёт с поглощением энергии.
→ Раскрыть ответ
Задание 15. Экспериментатор провёл несколько опытов, наблюдая за испарением различных жидкостей в различных условиях. На основе какого наблюдения экспериментатор может сделать вывод, что скорость испарения жидкости зависит от площади её свободной поверхности?
Вода, налитая в блюдце, оставленное в тёплом помещении, испаряется быстрее, чем вода такой же массы, налитая в стакан, поставленный в холодильник.
Вода, налитая в стакан, стоящий на столе в тёплой комнате, испаряется медленнее, чем вода такой же массы и температуры, налитая в блюдце, стоящее в той же комнате.
Эфир, налитый в блюдце, стоящее в тёплой комнате, испаряется быстрее, чем вода такой же массы, налитая в стакан, поставленный в холодильник.
Эфир, налитый в блюдце, поставленное на ветру, испаряется быстрее, чем эфир такой же массы, налитый в стакан, поставленный в защищённом от ветра месте при одинаковой температуре.
→ Раскрыть ответ
Задание 16. Используя катушку, замкнутую на амперметр, и полосовой магнит, ученик изучал явление электромагнитной индукции. На рисунке представлены результаты опыта для случая внесения магнита в катушку (1), для случая покоящегося магнита (2) и для случая вынесения магнита из катушки (3). Скорости движения магнита в первом и третьем опытах одинаковы.

Из предложенного перечня выберите два утверждения, которые соответствуют результатам проведённых экспериментальных измерений. Укажите их номера.
Величина индукционного тока зависит от магнитных свойств магнита.
В постоянном магнитном поле индукционный ток в катушке не возникает.
Величина индукционного тока зависит от скорости изменения магнитного потока, пронизывающего катушку.
Направление индукционного тока зависит от того, вносят магнит в катушку или выносят из неё.
→ Раскрыть ответ