
Официальные задания и ответы к отборочному туру Олимпиады «Курчатов» по Физике 10 класса проходящая с 02 по 16 февраля 2026 г. Примите вызов и проверьте свою способность решать задачи на олимпиаде «Курчатов».
Скачать полные материалы задания и ответы
Олимпиада «Курчатов» по Физике 2025-2026
10 класс задания, ответы
Задание 1.1. Шарик массы m = 410 г подвешен на нити длины L = 1,0 м к перекладине, закреплённой на длинной тележке массой M = 4,0 кг. Высота перекладины равна 2L. Тележка может свободно перемещаться по горизонтальной плоскости, не опрокидываясь. Нить отклонили на угол 90° и отпустили. Когда шарик оказался в нижней точке, нить оборвалась. На каком расстоянии s от основания перекладины шарик упадёт на тележку? Ответ дайте в метрах с точностью до десятых. Трением пренебречь. Ускорение свободного падения g = 10 м/с^2.
Правильный ответ: 2,1
Задание 1.2. Шарик массы m = 210 г подвешен на нити длины L = 1,0 м к перекладине, закреплённой на длинной тележке массой M = 1,0 кг. Высота перекладины равна 2L. Тележка может свободно перемещаться по горизонтальной плоскости, не опрокидываясь. Нить отклонили на угол 90° и отпустили. Когда шарик оказался в нижней точке, нить оборвалась. На каком расстоянии s от основания перекладины шарик упадёт на тележку? Ответ дайте в метрах с точностью до десятых. Трением пренебречь. Ускорение свободного падения g = 10 м/с^2.
Правильный ответ: 2,2
Задание 2.1. Тонкий однородный стержень массы m = 2,5 кг и длины l = 121 см одним концом опирается на гладкий горизонтальный пол, а вторым — на гладкую вертикальную стену. Стержень удерживается в равновесии с помощью горизонтальной пружины, соединяющей нижний конец доски с основанием стены. Жёсткость пружины k = 44 Н/м, удлинение пружины Δx = 5 см. g = 10 м/с^2. Найдите длину пружины l0 в нерастянутом состоянии. Ответ дайте в сантиметрах с точностью до целых.
→ Раскрыть ответ
Задание 2.2. Тонкий однородный стержень массы m = 1,9 кг и длины l = 152 см одним концом опирается на гладкий горизонтальный пол, а вторым — на гладкую вертикальную стену. Стержень удерживается в равновесии с помощью горизонтальной пружины, соединяющей нижний конец доски с основанием стены. Жёсткость пружины k = 28 Н/м, удлинение пружины Δx = 10 см. g = 10 м/с^2. Найдите длину пружины l0 в нерастянутом состоянии. Ответ дайте в сантиметрах с точностью до целых.
→ Раскрыть ответ
Задание 3.1. Цилиндр с подвижным, плотно прилегающим к стенкам поршнем расположен горизонтально. В начальном положении поршень П прилегает к левому основанию цилиндра (положение 1). В цилиндр через кран К в левом основании медленно закачали гелий. В результате поршень немного передвинулся вправо (положение 2). После этого кран закрыли, цилиндр медленно нагрели, объём гелия увеличился от начального значения V0 до максимального значения Vmax, а затем цилиндр начали охлаждать. Когда от гелия отвели количество теплоты, равное 1/5 части того, что было передано ему при нагревании, поршень вновь пришел в движение. Найдите отношение силы атмосферного давления к силе трения, действующей на поршень, если отношение максимального объёма гелия Vmax к начальному объёму V0 перед нагреванием равно Vmax/V0 = 5. Ответ дайте с точностью до десятых.
→ Раскрыть ответ
Задание 3.2. Цилиндр с подвижным, плотно прилегающим к стенкам поршнем расположен горизонтально. В начальном положении поршень П прилегает к левому основанию цилиндра (положение 1). В цилиндр через кран К в левом основании медленно закачали гелий. В результате поршень немного передвинулся вправо (положение 2). После этого кран закрыли, цилиндр медленно нагрели, объём гелия увеличился от начального значения V0 до максимального значения Vmax, а затем цилиндр начали охлаждать. Когда от гелия отвели количество теплоты, равное 1/4 части того, что было передано ему при нагревании, поршень вновь пришел в движение. Найдите отношение силы атмосферного давления к силе трения, действующей на поршень, если отношение максимального объёма гелия Vmax к начальному объёму V0 перед нагреванием равно Vmax/V0 = 4. Ответ дайте с точностью до десятых.
→ Раскрыть ответ
Задание 4.1. Найдите работу A, совершаемую v = 3 моль одноатомного идеального газа в цикле (1–2–3–1), состоящем из трех линейных участков на pV-диаграмме. Точки 1 и 2 лежат на прямой, проходящей через начало координат. На участке 2–3 объем газа не изменялся. Температура газа в точке 2 равна T2 = 529 K, а температуры в точках 1 и 3 равны T1 = T3 = 361 K. Универсальная газовая постоянная R = 8,31 Дж/(моль·К). Ответ дайте в джоулях с точностью до целого.
→ Раскрыть ответ
Задание 4.2. Найдите работу A, совершаемую v = 2 моль одноатомного идеального газа в цикле (1–2–3–1), состоящем из трех линейных участков на pV-диаграмме. Точки 1 и 2 лежат на прямой, проходящей через начало координат. На участке 2–3 объем газа не изменялся. Температура газа в точке 2 равна T2 = 576 K, а температуры в точках 1 и 3 равны T1 = T3 = 324 K. Универсальная газовая постоянная R = 8,31 Дж/(моль·К). Ответ дайте в джоулях с точностью до целого.
→ Раскрыть ответ
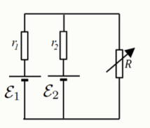
Задание 5.1. Два источника с ЭДС ε1 = 10 В и ε2 = 15 В и внутренними сопротивлениями r1 = 10 Ом и r2 = 15 Ом соответственно включены параллельно друг другу, как показано на рисунке. К общим контактам такого составного источника ЭДС подключают переменный резистор, сопротивление которого меняется в пределах R ∈ [1;10] Ом. Какова максимальная тепловая мощность Pmax, выделяющаяся на переменном резисторе, если очень медленно изменять его сопротивление от минимального до максимального? Ответ дайте в ваттах с точностью до целого числа.

Задание 5.2. Два источника с ЭДС ε1 = 12 В и ε2 = 15 В и внутренними сопротивлениями r1 = 15 Ом и r2 = 10 Ом соответственно включены параллельно друг другу, как показано на рисунке. К общим контактам такого составного источника ЭДС подключают переменный резистор, сопротивление которого меняется в пределах R ∈ [3;20] Ом. Какова максимальная тепловая мощность Pmax, выделяющаяся на переменном резисторе, если очень медленно изменять его сопротивление от минимального до максимального? Ответ дайте в ваттах с точностью до целого числа.
