
Официальные задания и ответы к отборочному туру Олимпиады «Курчатов» по Физике 11 класса проходящая с 02 по 16 февраля 2026 г. Примите вызов и проверьте свою способность решать задачи на олимпиаде «Курчатов».
Скачать полные материалы задания и ответы
Олимпиада «Курчатов» по Физике 2025-2026
11 класс задания, ответы
Задание 1.1. Два прямоугольных бруска 1 и 2 массой m = 0,4 кг каждый, соединённые невесомой и нерастяжимой нитью, соскальзывают с наклонной плоскости, образующей с горизонтом угол α = 30°. Коэффициенты трения брусков о плоскость равны μ1 = 0,3 и μ2 = 0,15. Найдите силу натяжения нити T при движении брусков. Ответ выразите в ньютонах и округлите до сотых. Считайте, что нить параллельна наклонной плоскости. Ускорение свободного падения g = 10 м/с^2.

Правильный ответ: 0,26
Задание 1.2. Два прямоугольных бруска 1 и 2 одинаковых размеров и массы m = 0,5 кг каждый поставлены вплотную друг к другу на наклонную плоскость, образующую с горизонтом угол α = 45°. Коэффициенты трения брусков о плоскость равны μ1 = 0,2 и μ2 = 0,4. Найдите силу давления P бруска 1 на брусок 2 при соскальзывании брусков с плоскости. Ответ выразите в ньютонах и округлите до сотых. Ускорение свободного падения g = 10м/с^2.

Правильный ответ: 0,35
Задание 2.1. Две круглые резиновые шайбы 1 и 2 скользят по льду с одинаковыми по абсолютной величине скоростями. Отношение масс шайб m1/m2 = 1/3. В некоторый момент времени векторы скоростей шайб образуют угол α = 60° с отрезком, соединяющим центры шайб. Найдите угол β между направлениями скоростей шайб после их абсолютно упругого столкновения. Ответ выразите в градусах и округлите до целого значения. Трение и вращение шайб не учитывайте.

Задание 2.2. Две круглые резиновые шайбы 1 и 2 скользят по льду с одинаковыми по абсолютной величине скоростями. Отношение масс шайб m1/m2 = 3. В некоторый момент времени векторы скоростей шайб образуют угол α = 30° с отрезком, соединяющим центры шайб. Найдите угол β между направлениями скоростей шайб после их абсолютно упругого столкновения. Ответ выразите в градусах и округлите до целого значения. Трение и вращение шайб не учитывайте.

Задание 3.1. В горизонтальном цилиндре объёмом V1 = 10л находится насыщенный пар некоторой жидкости при температуре T1 = 480 K. Пар изохорически охлаждают до температуры T2 = 400 K, а затем изотермически расширяют. При этом пар совершает работу A = 1 кДж. Считая, что пар всё время остается насыщенным, найдите число молей νж сконденсировавшейся жидкости. Ответ округлите до десятых. Давления насыщенного пара при температурах T1 и T2 равны соответственно P1 = 0,48 МПа и P2 = 0,1 МПа, универсальная газовая постоянная R = 8,31Дж/(моль·К). Объёмом жидкости по сравнению с объёмом пара пренебрегите, пар считайте идеальным газом.
→ Раскрыть ответ
Задание 3.2. В горизонтальном цилиндре объёмом V1 = 16л находится насыщенный пар некоторой жидкости при температуре T1 = 400 K. Пар изотермически сжимают, совершая над ним работу A = 1,2 кДж, а затем изохорически нагревают до температуры T2 = 440 K. Считая, что пар всё время остается насыщенным, найдите число молей νж сконденсировавшейся жидкости. Ответ округлите до сотых. Давления насыщенного пара при температурах T1 и T2 равны соответственно P1 = 0,1 МПа и P2 = 0,22 МПа, универсальная газовая постоянная R = 8,31Дж/(моль·К). Объёмом жидкости по сравнению с объёмом пара пренебрегите, пар считайте идеальным газом.
→ Раскрыть ответ
Задание 4.1. Электрическая цепь состоит из ключа K, двух одинаковых конденсаторов ёмкостью C = 4 мкФ, батареи с ЭДС ε = 10 В и батареи с ЭДС 2ε. Найдите количество теплоты, выделившейся в цепи после замыкания ключа. Ответ выразите в миллиджоулях.

Задание 4.2. Электрическая цепь состоит из ключа K, двух одинаковых конденсаторов ёмкостью C = 3 мкФ, батареи с ЭДС ε = 12 В и батареи с ЭДС 2ε. Найдите количество теплоты, выделившейся в цепи после замыкания ключа. Ответ выразите в миллиджоулях.

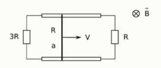
Задание 5.1. Плоский контур состоит из двух узких параллельных проводящих шин, замкнутых через сопротивления R = 0,4 Ом и 3R. По шинам с постоянной скоростью V = 0,3м/с движется тонкий металлический стержень сопротивлением R и длиной a = 0,7 м. Вся система находится в постоянном однородном магнитном поле с индукцией B = 0,05 Тл. Вектор индукции перпендикулярен плоскости контура. Найдите силу тока I, текущего по движущемуся стержню. Ответ выразите в миллиамперах. Сопротивление шин и соединительных проводов не учитывайте.

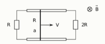
Задание 5.2. Плоский контур состоит из двух узких параллельных проводящих шин, замкнутых через сопротивления R = 0,3 Ом и 2R. По шинам с постоянной скоростью V = 0,2м/с движется тонкий металлический стержень сопротивлением R и длиной a = 0,5 м. Вся система находится в постоянном однородном магнитном поле с индукцией B = 0,1 Тл. Вектор индукции перпендикулярен плоскости контура. Найдите силу тока I, текущего по движущемуся стержню. Ответ выразите в миллиамперах. Сопротивление шин и соединительных проводов не учитывайте.

Задание 6.1. Оптическая система состоит из собирающей линзы L1 с фокусным расстоянием F1 = 5 см и рассеивающей линзы L2 с фокусным расстоянием F2 = 20 см. Главные оптические оси линз совпадают, расстояние между линзами s = 18 см. Слева от линзы L1, перпендикулярно главной оптической оси, расположена маленькая светящаяся стрелка A высотой h. Изображение стрелки получено на экране B, находящемся на расстоянии b = 30 см от линзы L2. Найдите отношение x = H/h, где H — высота изображения стрелки на экране.

Задание 6.2. Оптическая система состоит из рассеивающей линзы L1 с фокусным расстоянием F1 = 40 см и собирающей линзы L2 с фокусным расстоянием F2 = 20 см. Главные оптические оси линз совпадают, расстояние между линзами s = 52 см. На расстоянии a = 10 см от линзы L1, перпендикулярно главной оптической оси, расположена маленькая светящаяся стрелка A высотой h. Изображение стрелки получено на экране B, находящемся справа от линзы L2. Найдите отношение x = H/h, где H — высота изображения стрелки на экране.
