
Олимпиада «Сириус» ответы, вопросы по Информатике — Робототехника 9, 10, 11 класс, школьный этапа Всероссийской олимпиады 2 группа от 21 октября 2025 года. Официальный вариант взятый с UTS.SIRIUS
Школьный этап Сириус по Информатике для 2-ой группы 21 октября 2025 г.
Вопросы и ответы 9-11 класс
Задания раздела: Робототехника
Задание 1. На координатной плоскости расположены три базовые станции с известными координатами (xб; yб). Известно время, за которое радиосигналы от каждой станции достигли беспилотника.

Радиус покрытия соты от базовой станции составляет 5 км. Скорость распространения радиосигнала считать за 300000 км/с.
Определите координаты квадрокоптера. Ответ выразите в километрах, округлите до целых. При расчётах координат учитывайте возможную погрешность оборудования при измерении времени приёма сигнала — до 10 %.
→ Раскрыть ответ
Задание 2. Сколько бит приходилось бы на каждый цвет, если бы цветовых каналов в изображениях было не три, а четыре, а общий объём памяти для хранения остался неизменным?
Считайте, что изображение может поддерживать 224=16777216 цветов.
→ Раскрыть ответ
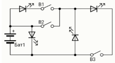
Задание 3. Катя собрала электронное устройство из батареи, кнопок и светодиодов по приведённой схеме. Какие светодиоды будут светиться, если нажаты все кнопки?

Задание 4. Робот оснащён двумя колёсами одинакового диаметра 6 см. Колёса подсоединены к моторам через одинаковые двухступенчатые передачи. На ведущей оси первой ступени находится шестерёнка с 8 зубьями, на ведомой — с 24 зубьями, на ведущей оси второй ступени находится шестерёнка с 24 зубьями, на ведомой — с 40 зубьями. Робот движется равномерно и прямолинейно. За треть минуты ось каждого из моторов совершила поворот на 4320∘. На какое расстояние робот переместится за 200 секунд? Ответ выразите в дециметрах, округлите до целых. Примите π≈3.14.
→ Раскрыть ответ
Задание 5. С помощью четырёх шкивов и двух ремней собрали двухступенчатую ремённую передачу.
Ведущий вал делает 10 оборотов за секунду. Ведомый вал делает 30 оборотов за секунду. R2 = 40 мм, R3 = 120 мм, R4 = 60 мм. Определите длину R1. Ответ выразите в миллиметрах.

Задание 6. У робота два независимых колеса радиусом по 15 см, напрямую подсоединённых к моторам. Левым колесом управляет мотор A, правым колесом управляет мотор B . Ось мотора A сделала 1. 2 оборота, в то же время ось мотора B сделала 1.2 оборота в противоположном направлении по отношению к направлению вращения оси мотора A. Ширина колеи равна 40 см.
На какой угол повернулся робот? Ответ выразите в градусах.
о

Задание 7. Робот движется по штрих‑коду. Показания датчика освещённости преобразовали в график.
Сколько полос чёрного цвета определил робот, если границу серого выбрали как среднее арифметическое максимального и минимального показаний датчика?
→ Раскрыть ответ